新为诚LOGO   新为诚电话1   新为诚电话2
您当前的位置:首页>>两用微型水泵-经典升级品>>5v两用微型水泵SWAJ
微型泵产品分类 锂电池微型水泵|微型真空水泵
成都新为诚科技有限公司
   
首页 上一页 下一页 尾页 第 2 页 共 2 页
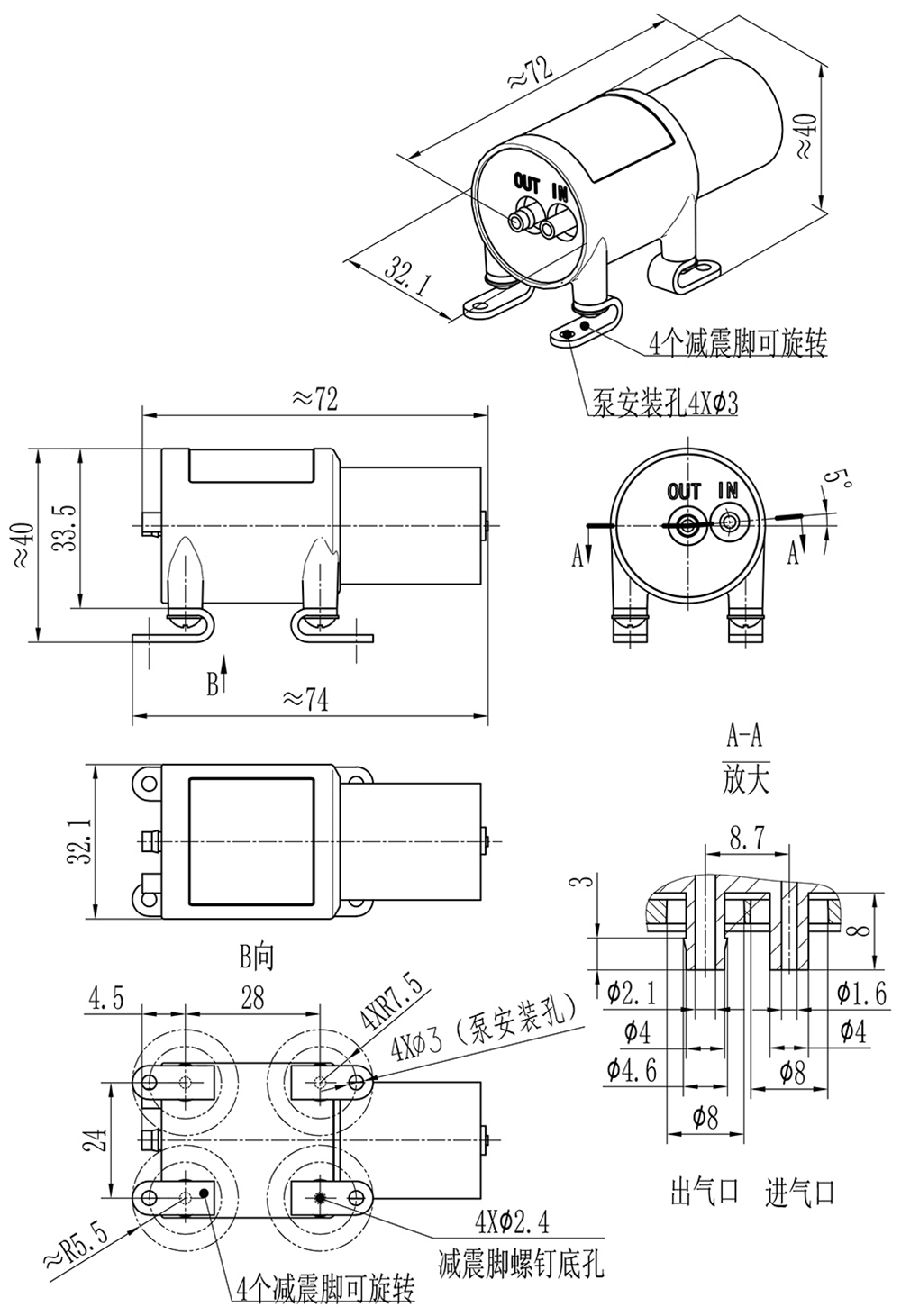
5v低功耗微型水泵SWAJ 三维结构安装图  
  
5v低功耗微型水泵SWAJ-外形尺寸图(以下图示单位:mm)

 

5v锂电池微型水泵SWAJ三维图
   
5v低功耗微型水泵SWAJ 试验数据等  
  

SWAJ系列微型水泵直接抽、排水试验

泵型号

MAX抽水高度H1米)

处于MAX抽水高度时泵的抽水速率
(mL/min)

MAX排水高度H2
(米)

处于MAX排水高度时泵的抽水速率
(mL/min)

SWAJ280

2

>50

2

>200

说明:1、所有接管均使用柔软胶管,内孔φ3mm;测定H1值时,泵排水管长度<100mm;测定H2值时,泵抽水管长度<100mm 。
2、所抽取的液体为清水。
3、MAX抽水高度H1和MAX排水高度H2值的定义见上图 。
4、该数据可能随产品改进会有所变化,恕不另行通知。
5.以上试验仅供参考,不作为产品是否合格的验收标准,特此说明!

   
5v低功耗微型水泵SWAJ 随货配件  
  

1.过滤器:1个(赠送)

2.安装螺钉:4颗(赠送)
微型泵尼龙过滤器GA

(1)SWAJ应该配:“特小号过滤器GA4.5”
(2)用途:过滤气体中的粉尘杂质,确保泵内部的精密气密性元件正常工作,有效延长泵的寿命。
(3)允许工作介质温度:0°C~80°C;
(4)点击查看:气泵的黑白过滤器使用说明

   

3.硅胶管:(选配件,需要另外收费)

4.开关直流稳压电源:(选配件,需要另外收费)
建议接管(mm):∮3×∮6硅胶管  
JF-5V2A
(查看详细)  

(结束)

 
1.微型水泵-自吸高压水泵
>>微型水泵螺纹快插ASP-L
>>微型水泵小流量ASP
>>微型水泵泄压CSP48180X
>>微型水泵自动泄压CSP-X
>>微型自吸水泵中流量CSP
>>微型压力水泵BSP48180
>>微型交流水泵BSP-TAC
>>微型自吸水泵金属底座BSP-T
>>微型自吸水泵大流量BSP
>>小型水泵较大流量BSP-S
>>交流高压水泵HSP-TAC
>>微型高压水泵送过滤器HSP-T
>>泄压水泵带底座HSP-XT
>>微型高压水泵自动泄压HSP-X
>>微型高压水泵型号多HSP
>>微型高压水泵小流量PSP
 
2.水气两用水泵-换代品
>>调速无刷微型水泵大流量W36
>>调速微型水泵低噪W25N
>>微型泵调速毫升级W24D
 
3.水气两用水泵-经典升级
>>大流量调速微型水泵WHY
>>频率调速微型水泵SWJY
>>调速无刷微型水泵SWNY
>>调速无刷微型水泵SWUY
>>无刷微型水泵中流量SWKY
>>水气两用微型水泵中流量SWKA
>>两用5V微型水泵小流量SWAJ
 
4.水气两用水泵-经典
>>调速微型真空水泵中流量WNY
>>调速微型真空水泵小流量WUY
>>无刷微型真空水泵大流量WJY
>>无刷微型真空水泵中流量WKY
>>微型真空水泵有刷中流量WKA
>>5V真空水泵有刷小流量WAJ
 
5.智能真空泵气泵-成套仪器
>>智能真空泵IV60
>>智能正压泵IF50
 
6.两用微型气泵-换代
>>微型气泵远控大流量F60
>>微型气泵触摸屏调速F50
>>微型气泵不锈钢接头F35
>>调速微型气泵低噪音F25N
>>调速5V微型气泵锂电池F24D
 
7.两用微型气泵-升级品
>>无刷微型气泵两用长寿命SFCY
>>无刷微型气泵两用中流量SFKY
>>调速无刷微型气泵两用SFNY
>>活塞交流微型气泵AC-A
>>活塞交流高压小型气泵AC-B
>>活塞220V小型高压气泵AC-C
 
8.两用微型气泵-经典品
>>两用无刷微型气泵长寿命FCY
>>无刷微型气泵中流量FKY
>>抽打两用微型气泵有刷PCF
 
9.无刷微型真空泵-换代
>>大流量小型真空泵V61
>>调速小型真空泵高负压V60
>>调速微型真空泵触摸屏V50
>>微型真空泵不锈钢接头V30
>>调速无刷微型真空泵V26
>>调速5V微型真空泵V24D
>>无刷微型真空泵工况记忆V09
>>交流真空泵高负压AC-A9228
 
10.无刷微型真空泵-升级品
>>调速微型真空泵VRY
>>无刷微型真空泵大流量SVCY
>>无刷微型真空泵中流量SVKY
>>调速微型真空泵高负压SVBY
>>调速微型真空泵SVLK
>>调速微型采样气泵SVLC
>>在线采样微型真空泵SVUY
 
11.无刷微型真空泵-经典
>>无刷小型真空泵高负压VAY
>>无刷微型真空泵中大流量VCY
>>无刷微型真空泵中流量VKY
>>调速微型真空泵VLK
>>调速微型采样气泵VLC
>>调速微型真空泵小流量VUY
>>电位器调速微型真空泵KAC
 
12.有刷微型真空泵-换/升级
>>微型真空泵有刷V22N
>>12v微型采样气泵有刷V17N
>>5v微型真空泵干电池有刷V13N
>>微型真空泵中流量有刷SVAK
>>5V采样微型气泵SVAJ
 
13.有刷微型真空泵-经典
>>微型真空泵中大流量PC
>>微型真空泵中流量VAK
>>微型真空泵中流量PK
>>微型真空泵小流量VAJ
 
14.微型潜水泵/离心泵
>>全自动微型潜水泵QZ650F
>>12v迷你潜水泵小流量QX
>>12V微型潜水泵中流量QZ-K
>>24v潜水泵大流量QD1800
>>直流小型潜水泵较大流量QC
>>微型离心水泵自吸大流量YSP
 
 15.真空泵气泵选配件
>>触摸屏微型泵调速器TS
>>稳速通用型调速器TAA
>>数显完整版调速器TWS-1
>>两用微型调节阀F2A
>>不锈钢调压阀CAY2
>>两用调节阀AS-F
>>微型精密泄压阀CAY
>>精密流量调节阀CCY
>>4通变径转接头6688
>>4通转接头4-4
>>微型真空泵专用消音器
>>微型气泵过滤器黑白GA
>>气泵用硅胶管
>>直流稳压电源(小功率)
 
16.微型水泵选配件
>>浮动开关|液位开关FS20A
>>直流稳压电源(大功率)
>>微型水泵压力缓冲罐YLG
 
 
首页 上一页 下一页 尾页 第 2 页 共 2 页
回到顶端>>
去新为诚天猫店购买:
新为诚旗舰店
去新为诚淘宝店购买:
新为诚旗舰店
销售部微信(手机同号):13340999186 15348188198|电话:028-66711583 66165538 61331850|传真:028-61678198|电邮:xwc66711583@163.com
“专注于微型水泵|微型高压水泵|微型自吸水泵”  成都新为诚科技有限公司 地址:成都市武侯区武侯大道顺江段77号汇点广场2座905-906
http://www.wcjx.net  http://www.weichengkj.com 皆是我公司网站,欢迎访问!
Copyright© 2005-2021 成都新为诚科技有限公司(原成都为诚电子机械) 版权所有 All rights reserved.抄袭仿冒必究!
网警备案
成公网备字
第[200600060]号
信产部备案序号:
蜀ICP备07000579号-4