型号
额定电压
(AC)
额定功率
流量(L/min)
MAX相对
真空度
(kPa)
额定输出压力(MAX安全输出压力)(正压)(kPa)
极限输出压力*(正压)(kPa)
(W)
峰值流量
平均流量
FYF02580N-05G1AC(低噪稳流量型)
220V/50Hz
80
25
≈-80
500
800
FYF02580-05G1AC
28
26
≈-83
FYF04580-05G2AC
180
46
45
FYF05580-05G2AC
230
56
50
FYF08585-06G2AC
280
86
85
≈-85
600
FYF09585-08G2AC
550
95
92
1000
FYF13085-08G2AC
132
126
FYF24085-08G4AC
1500
243
223
长(mm)
宽(mm,不含配件)
高(mm,不含减震脚)
重量(kg)
工作噪音(dB)
进排气口螺纹规格
FYF02580N-05G1AC
约175
约88
约122
约2.7
约55
G1/8(1分内螺纹)
约61
约177
约94
约145
约3.4
约62
G1/4(2分内螺纹)
约187
约3.7
约246
约104
约165
约5.9
约65
约276
约133
约189
约8.8
约66
约277
约213
约10
约75
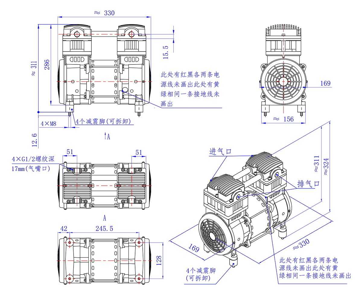
约330
约169
约286
约17.4
约68
G1/2(4分内螺纹)
配件
详情
1.尼龙壳体消音器:1个(赠送)
说明:尼龙壳体2分外丝消音器(1)只用打气功能时,接泵抽气口可以消音。(2)只用抽气功能时,接泵排气口可以消音。(3)该配件不能串联在气路中,形成闭路(如气体循环等),需客户自配相应过滤器。
2.机械式金属安全阀:1个(赠送)
说明:2分金属安全阀该系列标配送1个默认安全阀,不同的型号阀值不同,开启压力阀值为:该系列泵额定输出压力(MAX安全输出压力)。注意:必须配备我司安全阀,且该安全阀只能用于新为诚FYF系列微型气泵!用于其他产品可能产生危险!我司不负任何责任。
3.金属三通接头:1个(赠送)
说明:用于连接安全阀及管路。
4.减震固定螺钉:4个(赠送)
说明:(1)具体规格、如何安装请见前面泵的三维安装图。(2)不同型号安装脚规格不同,具体请以实物为准!
5.生料带:1卷(赠送)
说明:适用各种丝口密封,具有密封和耐高压性,常用于绝缘包扎、密封包扎。
6.电容:1个(赠送)
说明:(1)品质电容器(保证交流电机能正常启动)。(2)不同型号所配电容规格不同,具体请以实物为准!