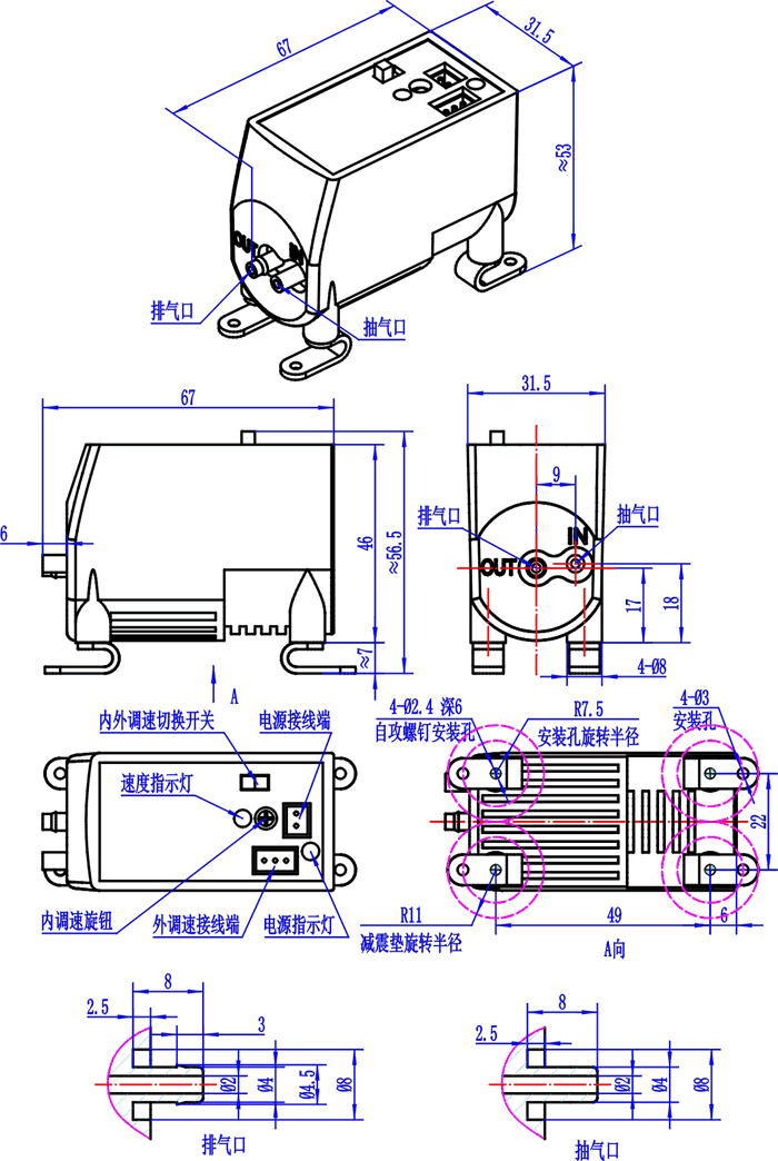
微型调速真空泵 KAB系列