型号
额定电压
负载电流
功率
峰值 流量
平均 流量
MAX相对真空度
MAX输出压力
重量
(V DC)
(A)
(W)
(L/min)
(kPa)
(kg)
EA材质(默认)
A型直流无刷电机(默认不能换)、单向阀和密封:EPDM,泵头:增强尼龙
V52V2-AH8EA-PB4
24
≤1.2
≤28.8
≥15
≥10
≥-98
50
1.1
V52M2-AH8EA-PB4
≥22
≥17
≥-88
V52L2-AH8EA-PB4
≤1.6
≤38.4
≥35
≥25
≥-50
A型直流无刷电机单向阀和密封:EPDM,泵头:增强尼龙
V52V1-AP8EA-PB2
12
≤1.7
≤20.4
≥-91
0.62
V52V1-AP8EA-PB4
≤1.0
≤24.0
DC直流有刷电机,单向阀和密封:EPDM ,泵头:增强尼龙
V52V1-CP8EA-MJ2
0.76
V52V1-CP8EA-MJ4
PV材质(耐腐MAX)
A型直流无刷电机,单向阀和密封:PTFE ,泵头:PVDF
V52V1-AH8PV-PB2
≤12
≥-70
V52V1-AH8PV-PB4
≤0.5
对比:标准大气压
0
★特别说明:本表格参数为正式上市前工程样机预览参数,仅供参考,正式参数可能调整。
性能
简化版
标准版
寿命
★★
★★★
噪音
★
可靠性
参数一致性
抗电磁干扰
工作环境温度
0~50℃
寿命值(小时)
V52x1-C单头简化版
V52x1-A单头标准版
V52x2-A双头标准版
V52
满载寿命
2500*
8000*
7500*
空载寿命
4000*
12000*
10000*
电机寿命
5000*
15000*
电机
堵转保护
过流保护
反接保护
V52全系列
配置有刷电机型号
×
配置无刷电机型号
√
材质选项
标配
泵头
PA
隔膜
EPDM
单向阀
电机选项
电机类型
A型无刷电机
24V DC
接头选项
选配
接头类型(详细接头信息请见:定做接头表)
H8
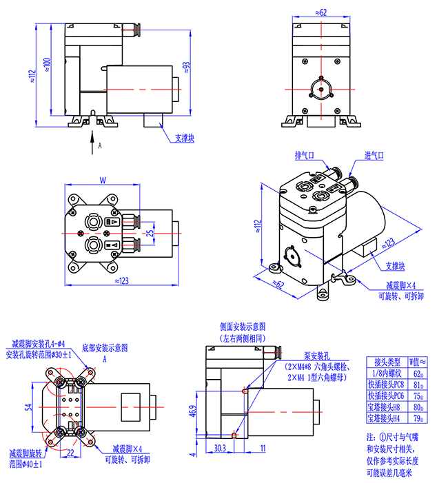
V52M2、V52L2:只能标配H8V52V2可选配:P8/6、H4、I8、N8
PVDF
PTFE
DC有刷直流电机
12V/24V DC
接头类型(详细定做接头)
P8/6、E8/6、H4、I8、N8、B8/6、K8/6
泵头选项
泵头类型
标准泵头
泵头朝向
标准朝向0°(气嘴与电机同向,默认不写,此时体积尺寸MIN,推荐)
90°
180°
270°
【注意】:选配非标准朝向泵头后,产品真空度参数可能降低5-10kPa,除特殊情况外(如管路设计确实需要等),不建议更换泵头朝向!
气嘴组合
建议搭配的管路
H8宝塔接头
出厂默认,代表宝塔形接头,适用于7-8mm内径硅胶软管等软质气管,接头材质和选配泵头材质一致;非腐蚀性介质推荐内径φ7*外径φ13硅胶管,腐蚀性介质需定做PVDF的H8接头!
P8快插接头
代表PC8快插接头,适用于外径φ8mm的PU及其他硬质塑胶气管。
P6快插接头
代表PC6快插接头,适用于外径φ6mm的PU及其他硬质塑胶气管。
H4宝塔接头
代表宝塔形接头,适用于4-5mm内径硅胶软管等软质气管,接头材质和选配泵头材质一致;非腐蚀性介质推荐内径φ4*外径φ8硅胶管,腐蚀性介质需定做PVDF的H4接头!
I8内螺纹接头
国标Rp1/8圆柱内螺纹,客户可自行安装合适自己要求的气嘴接头或转接头。
N8内螺纹接头
美制NPSC1/8圆柱内螺纹,客户可自行安装合适自己要求的NPT1/8气嘴接头及转接头。
B8不锈钢卡套接头
适用于外径8mm的不锈钢管。
B6不锈钢卡套接头
适用于外径6mm的不锈钢管。
K8快拧接头
适用于8*5mm的PU及其他硬质塑胶气管。
K6快拧接头
适用于6*4mm的PU及其他硬质塑胶气管。
序号
引线颜色
信号名称
功能
信号定义
其他说明
1
红
Vm
电源正极
12V泵(DC 10.8~13.2V);24V泵(DC 21.6~26.4V);
对应12V/24V电机,电压不可超过MAX电压范围,否则会烧坏电机,可能影响质保
2
黑
GND
电源负极,地
Ground
引脚 颜色
信号 名称
信号说明
A型无刷电机:
12V泵(DC 8~14V);24V泵(DC 8~26V);
对应12V/24V电机,电压不可超过MAX电压范围,否则会烧坏电机,可能影响质保!
3
蓝
PWM
脉宽调速(PWM)
输入电平信号:
0V≤启动≤0.5V
2V≤停止≤5V
通过调节PWM的占空比(低电平有效)来改变电机转速、调节流量。PWM输入信号频率范围:10kHz~30kHz,建议幅值5V,直流偏置电压2.5V。
4
黄
FG
FG反馈信号
脉冲输出5V方波信号,FG反馈信号的MAX额定电流2mA
无刷电机输出:6脉冲/转
5
白
BRAKE
控制电机启动、停止
输入电平信号:2.0V≤启动≤5.0V0V≤停止≤0.5V
控制泵启停可以用该信号线。此线可用于频繁启停。悬空默认运转。
电机引线
若无需调速、转速反馈、控制启停,请将黄、白线都绝缘包扎;泵将以额定MAX转速运转。
电源负极
配件
详情
1.过滤器:1个(赠送)
1)V52系列应配:(1)标配H8宝塔接头-“大号过滤器GA9.5”;(2)选配H4宝塔接头-“小号过滤器GA6.0”;(仅限非耐腐、非高气密型);2)过滤器材质:聚碳酸酯(外壳),尼龙(滤网);3)用途:过滤气/液体中的粉尘杂质,确保泵内部的精密气密性元件正常工作,有效延长泵的寿命。4)允许工作介质温度:0°C~80°C;
5)过滤器连接在泵的抽气口,箭头指向为气流方向。
2.硅胶管:(选配件,需要另外收费)
选购V52(H8/H4宝塔接头)型号时,建议配7*13/4*8mm硅胶管(弹性好,用于宝塔接头,需内径去套宝塔外径);
3.尼龙管:(选配件,需要另外收费)
选购标准品V52xx-xP8xx-xxx(PC8快换接头)型号时,建议选配6*8mm尼龙管;建议采用质量可靠的品牌尼龙管,外径必须是8mm (如内径6mm,外径8mm等)。否则将导致连接处密封不良造成漏气、管子无法正常拔插、损坏管接头等,如因非8mm外径尼龙管导致以上等故障,将不提供免费质保!)。
4.大开关直流稳压电源:(选配件,需另外收费)
规格:24V10A(适用于V52x2-Axxxx-PB4)
规格:12V12A(适用于V52V1-Axxxx-PB2)注:定做产品,无参数虚标
5.小开关直流稳压电源:(选配件,需要另外收费)
适用于:
规格:12V5A(适用于V52V1-Cxxxx-MJ2)
规格:24V3A(适用于V52V1-Axxxx-PB4/V52V1-Cxxxx-MJ4)
项目
内容
产品型号
序列号
曾抽取介质成分清单
声明内容
本返修/退换产品已经过彻底的清洗和无害化处理,不含有潜在的腐蚀性、放射性、生物危险性和其他有毒有害的危险成分,及对承运人、检修人员及其他相关处理人员的人身安全不构成风险。