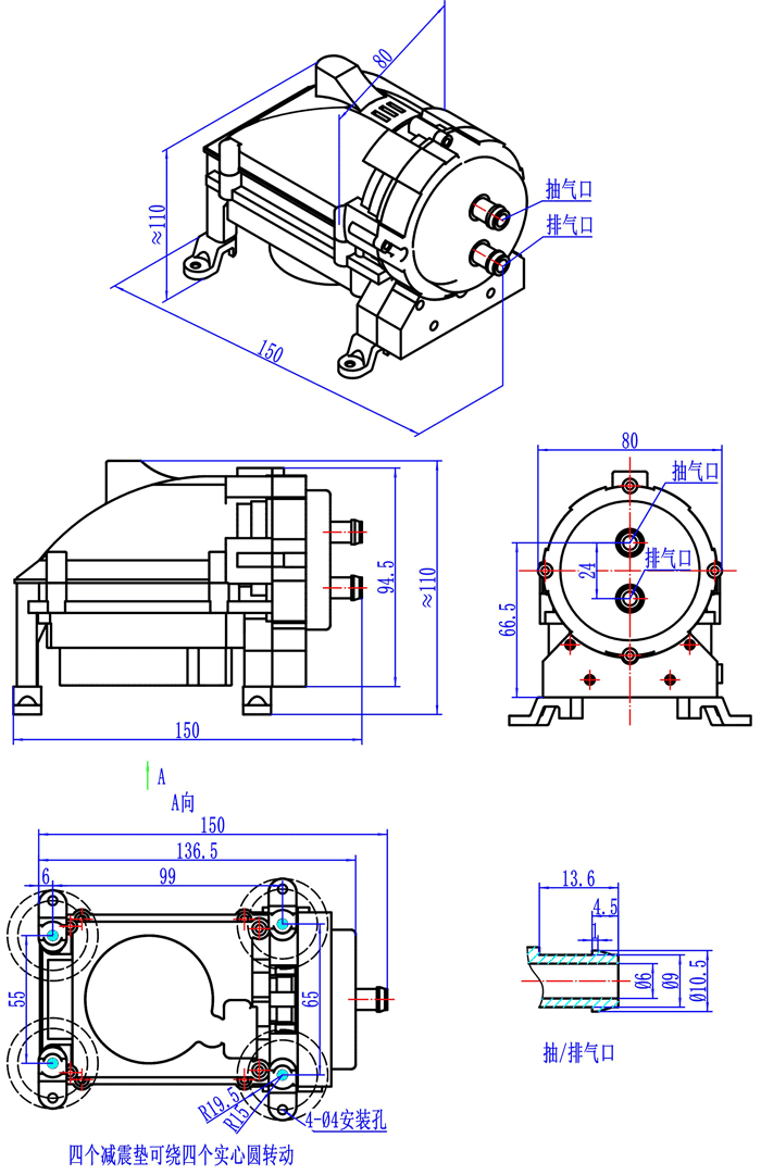
微型真空泵 VCY系列