型号
额定电压
(V DC)
负载电流
(A)
功率
流量(L/min)
真空度
(压力(abs.))
(kPa)
MAX相对
(W)
峰值流量
平均流量
VLK5504
12
<0.32
<3.84
4
2.7
55
≥-45
24
<0.23
<5.52
3.6
VLK5005
<0.36
<4.32
5
3.2
50
≥-50
3.9
VLK4506
<0.4
<4.8
6
3.7
45
≥-55
<0.24
<5.76
4.4
对比:标准大气压
101
0
该系列目前有3个版本
国产简化版
进口简化版
进口完整版
新为诚
配置比较
电机品质
无刷电机
★
★★
★★★★
隔膜性能
轴承性能
性能比较
寿命
★★★
电磁干扰
▲▲▲▲
▲▲▲
▲
环境温度
0℃~40℃
0℃~50℃
调速功能
√
自我保护
×
转速反馈信号
说明
1.以上★越多,代表性能越好;▲越少,代表电磁干扰越低;
2.以上对比不代表某种产品不好,仅供客户直观感受参考,特此说明!
3.若不需要调速,仅当成长寿命微型泵使用,可通知我司免费换成不调速的电机接线。
寿命值-VLK4506/5005/5504
≥2500小时
>6000小时
>9000小时
频繁启停参数
>18万次
>80万次
>180万次
测试工况
转30秒
停30秒
转15秒
停15秒
转10秒
停10秒
昼夜连续循环,抽气口满负载。
调速器
12V配TS-D12调速器,24V配TS-C24调速器。请注意区分电压!
类 别
允许的介质温度
注意事项
常温介质型
禁止介质中含有冰粒等固体颗粒!
高温介质型
0℃~100℃
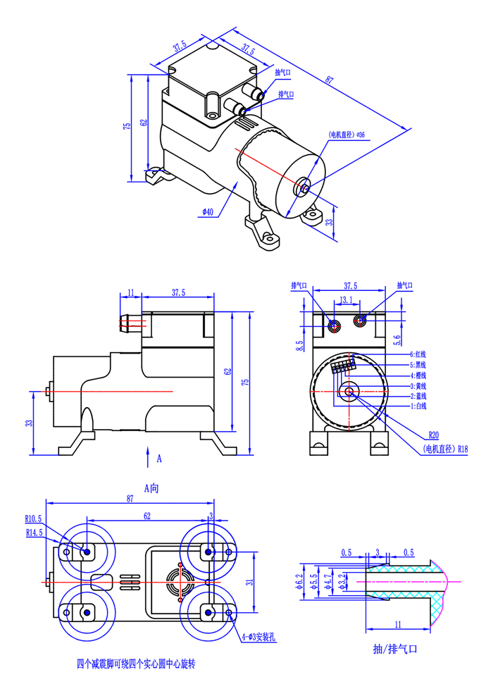
序号
引线
颜色
功能
动作电平
其它说明
1
白
控制电机紧急停止(视生产工艺情况而定,可能无此线)。
2V≤启动≤5V
0V≤停止≤0.8V
控制泵启停可以用该信号线,特别是频繁启停。若不使用该线,则必须绝缘包扎。若泵很长时间不工作,则应断开红色电源线。
2
蓝
脉宽调速(PWM)
0V≤启动≤0.8V
2V≤停止≤5V
通过改变输入信号中,低电平的占空比来改变电机转速。
PWM输入信号频率建议定在这个范围内:20KHz~30KHz。不能用该端口来控制泵的启停。
3
黄
FG反馈信号(电机转速反馈信号,脉冲信号)。电机每转一周输出6个脉冲
低电平<0.5V;高电平<6V,建议取高电平=5V。FG信号的额定电流(Imax)为2mA。
电机内部为漏极开路状态,因此需要在外部进行拉升。电压5V,电阻5.1kΩ。
橙
特殊控制线。对本产品没有用处。
该线应该与电源的负极相连。
黑
电源线,负极。
红
电源线,正极,+12V(±10%);若选择的是24V规格的,则接+24V(±5%)。
电机引线
连接方法
备注
红线
电源正极。电压严格按接线说明!
对于有“黄线”和"白线"版本的,若无需调速和转速反馈,请把它们分别绝缘包扎。
蓝线
电源负极
橙线
黑线
配件
详情
1.过滤器:1个(赠送)
(1)VLK系列应该配:“小号过滤器”;
(2)用途:过滤气体中的粉尘杂质,确保泵内部的精密气密性元件正常工作,有效延长泵的寿命。
(3)允许工作介质温度:0°C~80°C;
(4)使用说明:过滤器连接泵的抽气端。
2.硅胶管:(选配件,需要另外收费)
建议接管(mm):∮4×∮8硅胶管
3.开关直流稳压电源:(选配件,需要另外收费)
规格:12V5A(12V泵)
规格:24V3A(24V泵)
4.F2A-3B7两用调节阀:(选配件,需要另外收费)
(1)原理:通过调节旋钮,改变阀开口度,配合不同管路,可以达到调节微型泵负压、正压或者流量的目的;
(2)注意:不能同时调负压、正压、流量,是同一时刻只能调三种参数之一。