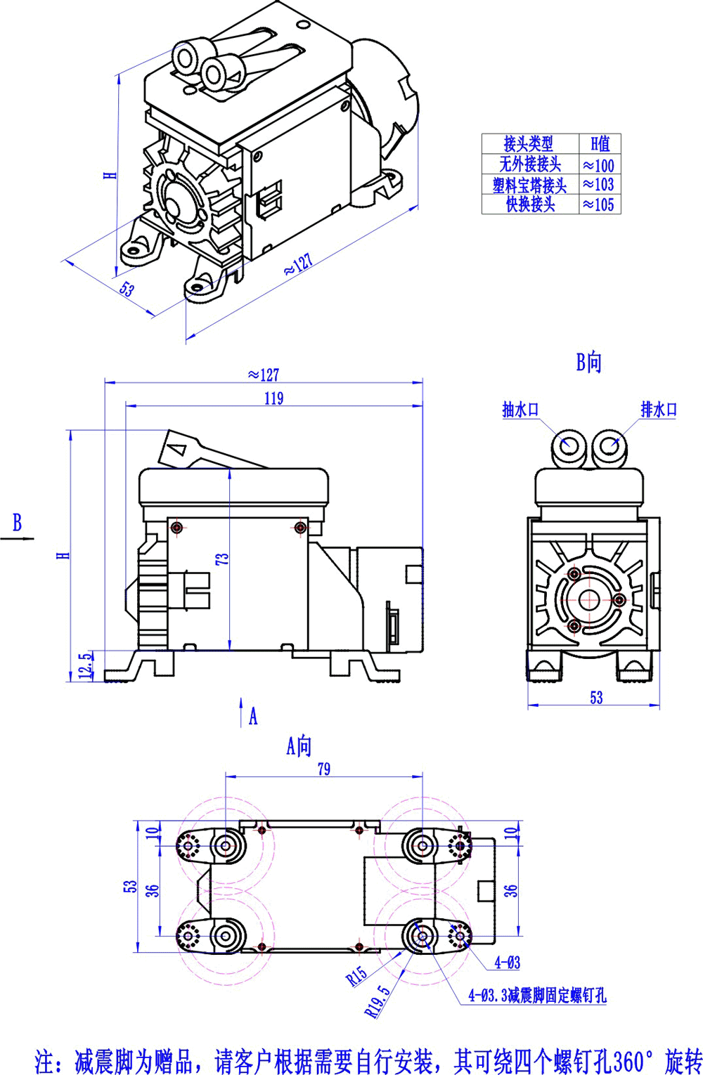
微型无刷真空水泵 WXY系列